Запасные части ЧТЗ Запасные части ЧТЗ
Актобе
Например:
Актобе
Алдан
или
Выбрать автоматически
Актобе
Алдан
Алматы
Алчевск
Архангельск
Астана
Астрахань
Атырау
Баку
Балашиха
Барнаул
Белгород
Бердянск
Бишкек
Владивосток
Владикавказ
Воркута
Воронеж
Горловка
Грозный
Донецк
Екатеринбург
Иваново
Ижевск
Иркутск
Казань
Калининград
Каменск-Уральский
Караганда
Каховка
Кемерово
Киров
Комсомольск-на-Амуре
Костанай
Краснодар
Красноярск
Красный луч
Ленск
Луганск
Магадан
Магнитогорск
Макеевка
Махачкала
Мелитополь
Минск
Мирный (Якутия)
Москва
Мурманск
Нерюнгри
Нижневартовск
Нижний Новгород
Нижний Тагил
Новая каховка
Новокузнецк
Новосибирск
Новый Уренгой
Норильск
Ноябрьск
Нур-Султан
Омск
Оренбург
Ош
Павлодар
Пермь
Петрозаводск
Петропавловск
Петропавловск-Камчатский
Псков
Ростов-на-Дону
Салехард
Самара
Санкт-Петербург
Саратов
Севастополь
Семей
Симферополь
Сочи
Ставрополь
Сургут
Сыктывкар
Тараз
Ташкент
Токмак
Томск
Тында
Тюмень
Ульяновск
Усинск
Усть-Каменогорск
Уфа
Хабаровск
Ханты-Мансийск
Херсон
Челябинск
Чита
Шымкент
Экибастуз
Энергодар
Южно-Сахалинск
Якутск
Ваш город
Актобе
Войти
Запасные части к тракторам на одном сайте
+7 (932) 303-00-10
+7 (932) 303-00-10
г. Актобе, 41-й разъезд, д. 10а
Пн-Пт: 9:30-18:30 Cб-Вс: Выходной
Отправить заявку


Электрооборудование ЧТЗ


/
с НДС 20%
Описание


Электрооборудование, выполненное по однопроводной схеме с номинальным напряжением в сети 12В (более позднего выпуска 24 В и генератором 123701), предназначено для освещения, запуска пускового двигателя, вентиляции и обогрева кабины, приведения в действие предпускового обогревателя, стеклоочистителей передних и задних стекол кабины, звуковой сигнализации. Оно состоит из источников электрической энергии [аккумуляторной батареи 23 (рис. 96), генератора 8 с выпрямителем, магнето 4] и ее потребителей (электрического стартера пускового двигателя 6, звукового сигнала, вентилятора кабины с электродвигателем 29, фар 7, 9 и др.), коммутационных устройств, вспомогательных приборов, контрольно-измерительной аппаратуры и электропроводки.

Рис. 96. Схема электрооборудования Т-130М


1, 12, 28 — электродвигатель МЭ-5-Е 12 Вт стеклоочистителей,
2, 13 — панель соединительная ПС 12,
3, 11, 26, 30 — фара ФГ-304Д с лампой А12-32,
4 — магнето М149,
5 — свеча М-8Г,
6 — стартер СТ-230Е,
7, 9 — фара ФГ-304 с лампой А12-32,
8 — генератор 15.3701,
10 — датчик температуры водыТМЮО-В,
14, 15 — штепсельная розетка 47К,
16 — колодка зажимов,
17 — включатель 4602.3710 вентилятора кабины,
18 — фонарь контрольной лампы ПД-20Д (зеленый) с лампой А12-1,
19 — фонарь контрольной лампы ПД-20Е (рубиновый) с дампой А12-1,
20 — включатель 4602.3710 передних и задних фар и магнето,
21 — патрон ламп ПП 1-200 с лампой А12-1,
22 — включатель массы ВК 3186,
23 — аккумуляторная батарея 6СТ-75ТМС,
24 — включатель ВК 403 блокировки коробки передач,
25 — датчик аварийного давления ММ 111А системы смазывания трансмиссии,
27 — сигнал С56-Г,
29 — электродвигатель МЭ-22 вентилятора кабины,
31 — плафон ПК-201,
32 — штепсельная розетка ПС-ЗООА-100,
33 — приемник указателя температуры воды УК-133,
34 — амперметр АП-200,
35 — включатель ВК-317А2 стартера пускового двигателя,
36 — включатель ВК322 сигнала,
37 — переключатель типа 5102.3709 плафона и подсветки приборов,
38 — блок предохранителей ПР12-Е,
39 — блок предохранителей ПР12-Д2.

К коммутационным устройствам относятся включатели передних и задних фар кабины, зажигания, массы 22, вентилятора кабины, сигнала, два переключателя 37 стеклоочистителей, плафона и подсветки щитка приборов, штепсельная розетка для подключения освещения и сигнализации прицепных машин.

Вспомогательные приборы (блоки предохранителей и пр.) обеспечивают нормальную работу электрооборудования и защиту электрических цепей от короткого замыкания.

Контрольно-измерительная аппаратура включает в себя амперметр и фонари контрольных ламп.

Электропроводка выполнена из проводов типа ПГВА с полихлорвиниловой изоляцией. Роль второго провода выполняет корпус трактора — «масса». Для удобства монтажа провода пронумерованы.

Аккумуляторная батарея

Устройство батареи

Аккумуляторная батарея (рис. 97) свинцовокислотная, типа 6СТ-75А со скрытыми перемычками, питает потребителей постоянным током при неработающем двигателе и обеспечивает электростартерный запуск пускового двигателя. Номинальное напряжение 12 В, емкость 75 А•ч.

Рис. 97. Аккумуляторная батарея Т-130М


1 — вывод батареи (положительный),
2 — тубус горловины,
3 — пробка,
4, 5 — пластины,
6 — вывод батареи (отрицательный),
7 — крышка,
8 — моноблок,
9 — ареометр.

Батарея составлена из шести последовательно соединенных элементов. Каждый элемент (напряжением 2 В) состоит из положительных и отрицательных пластин, помещенных в банки с электролитом (раствор химически чистой серной кислоты в дистиллированной воде). Все элементы размещены в моноблоке 8 с общей крышкой 7. Батарея находится в металлическом ящике в кабине.

Пластины 4, 5 аккумуляторной батареи представляют собой свинцовые решетки, заполненные активной массой. Отрицательные пластины заряженной батареи серого цвета (металлический губчатый свинец), а положительные — темно-коричневые (перекись свинца). Во избежание короткого замыкания между пластинами поставлены специальные прокладки из пористого мипласта.

При работе батареи активная масса положительных и отрицательных пластин вступает в химическую реакцию с электролитом, в результате чего на клеммах разноименных пластин возникает разность потенциалов (напряжение).

Емкость аккумуляторной батареи зависит от количества и размера пластин. Напряжение заряженной батареи замеряют вольтметром с ценой деления шкалы 0,2 В.

Плотность электролита замеряют ареометром 9, для умеренной климатической зоны она должна быть 1,26±0,01 г/см³ у полностью заряженной батареи.

Обслуживание батареи

Не реже одного раза в две недели необходимо выполнять следующие работы:

  • очистить батарею от пыли и грязи. Электролит, попавший на поверхность батареи, вытирают чистой ветошью, смоченной нашатырным спиртом или кальцинированной содой (10%-ный раствор);

  • осмотреть крепление батареи в гнезде и контакты наконечников проводов (выводы от 1-й и 6-й батарей). Наконечники проводов смазывают техническим вазелином;

  • проверить уровень электролита во всех аккумуляторах, при необходимости долить дистилированную воду до уровня (до нижнего торца тубуса 2 горловины). В холодное время года воду заливают непосредственно перед запуском двигателя для быстрого перемешивания ее с электролитом;

  • при необходимости прочистить отверстия в пробках 3.

Не реже одного раза в квартал, а также при участившихся случаях ненадежного запуска двигателя проверяют плотность электролита и устанавливают степень разряженности батареи.

Плотность электролита
Климатические зоны Плотность электролита, приведенная к 298 К (25С), r/см³
Батарея заряженная Батарея разряженная
на 25% 50%
Очень холодная:
зимой 1,30 1,26 1,22
летом 1,26 1,22 1,18
Холодная 1,28 1,24 1,20
Умеренная 1,26 1,22 1,18
Жаркая 1,24 1,20 1,16
Теплая, влажная 1,22 1,18 1,14


Батарею, разряженную более чем на 25% зимой и более чем на 50% летом, снимают и ставят на подзарядку. Состояние аккумуляторной батареи на тракторе показывает амперметр, установленный на щите прибора. Отклонение стрелки амперметра от «О» в сторону знака « + » свидетельствует о зарядке аккумуляторной батареи, а отклонение в сторону знака «—» — о ее разрядке.

В конце рабочей смены батарею отключают включателем «массы», нажав на малую кнопку. Включают батарею, нажав на центральную кнопку.

Генератор

Генератор служит источником электрической энергии. Номинальная мощность его 1000 Вт, номинальное напряжение 14 В (рис. 98).

Рис. 98. Генератор Т-130М


1 — блок регулятора напряжения,
2, 4, 8, 11, 12, 13, 20, 34 — винты,
3 — выпрямительный блок БПВ12-100,
5 — задняя крышка,
6 — статор,
7 — передняя крышка,
9 — крышка шарикоподшипника,
10 — шкив,
14, 36 — изолятор,
15, 30 — болт,
16, 18 — вывод обмотки возбуждения,
17 — вывод дополнительного выпрямителя,
19 — вывод обмотки статора,
21 — стяжной болт,
22, 25 — шарикоподшипник,
23 — катушка возбуждения,
24 — ротор,
26 — пружинная шайба,
27 — крыльчатка,
28 — крышка выпрямителя,
29 — прокладка,
31 — втулка,
32 — болт фазосборника,
33 — резистор,
35 — интегральное устройство,
36 — плато,
37 — гайка,
38 — шинка,
39 — резистор МЛТ-1-2 7 кОм,
40 — конденсатор К50-ЗА,
41 — корпус блока регулятора напряжения,
42 — резистор МЛТ-2 120 Ом,
43 — переключатель посезонной регулировки.

Устройство генератора

Генератор, представляющий собой бесконтактную пятифазную одноименнополюсную машину с односторонним электромагнитным возбуждением с встроенными выпрямителем и регулятором напряжения, состоит из выпрямительного блока 3 (БПВ 12-100), статора 6, ротора 24, передней 7 и задней 5 крышек, катушки возбуждения 23, шкива 10 и крыльчатки 27 для охлаждения выпрямителя.

Статор 6 шихтовый, из листовой стали, имеет десять зубцов, на которых закреплены катушки пятифазной обмотки. Катушки соединены последовательно.

Ротор 24 представляет собой пакет шестилучевой звезды, шихтованный из листовой стали, напрессованной на вал.

К передней 7 крышке приварены горловина и две лапы, одна из которых служит для регулировки натяжения ремня, вторая — для крепления генератора. В передней 7 и задней 5 крышках генератора находятся шарикоподшипники 22, 25 закрытой конструкции, не требующие добавления или замены смазки в течение всего срока службы.

Катушка возбуждения 23, представляющая собой стальную втулку с фланцем и обмоткой, расположена в передней крышке. Концы обмотки с наконечниками выведены через статор, заднюю крышку и корпус выпрямителя и присоединены один к дополнительному выводу генератора, другой — к клемме Ш регулятора напряжения.

Выпрямительный блок 3 (БПВ 12-100) состоит из силового (основного) и дополнительного выпрямителей, блока 1 регулятора напряжения и переключателя посезонной регулировки напряжения («зима — лето»). Силовой и дополнительный выпрямители смонтированы в одном корпусе, а блок регулятора напряжения и переключатель посезонной регулировки находятся на крышке 28 выпрямителя.

Корпус и пластина основного выпрямителя отлиты из алюминиевого сплава. Пластина изолирована от корпуса электроизоляционной прокладкой и крепится к нему пятью болтами. В корпусе выпрямителя имеются пять отверстий для прохода пяти фазных выводов обмотки статора 6 и выводов обмотки возбуждения 23. К корпусу выпрямителя прикреплены пять диодов обратной полярности, к пластине — пять диодов прямой полярности. Выводы диодов прямой и обратной полярности попарно соединены шинками с выводами фазных обмоток статора.

Дополнительный выпрямитель состоит из трех диодов прямой полярности, которые запрессованы в шинки, соединяющие попарно диоды прямой и обратной полярности силового выпрямителя. Этот выпрямитель обеспечивает автоматическую защиту аккумуляторной батареи от разряда на обмотку возбуждения генератора при неработающем двигателе.

Блок 1 интегрального регулятора напряжения расположен на стальной крышке выпрямителя и состоит из корпуса, отлитого из стеклонаполненного термопластика, интегрального устройства 35 (ИУ) с радиатором, резистора переключателя посезонной настройки «зима — лето», конденсатора 40 фильтра, резистора 39 подпитки для улучшения само: возбуждения генератора.

Интегральное устройство имеет четыре вывода С, Б, Ш, Д в виде контактных площадок, изолированных от его основания и вывод М (минус), которым служит основание ИУ. Конструкция ИУ неразборная. Основание ИУ имеет ориентирующий выступ для предотвращения его неправильной установки.

При возбуждении генератора от аккумуляторной батареи между выводами Б и Д интегрального устройства подключен резистор 42.

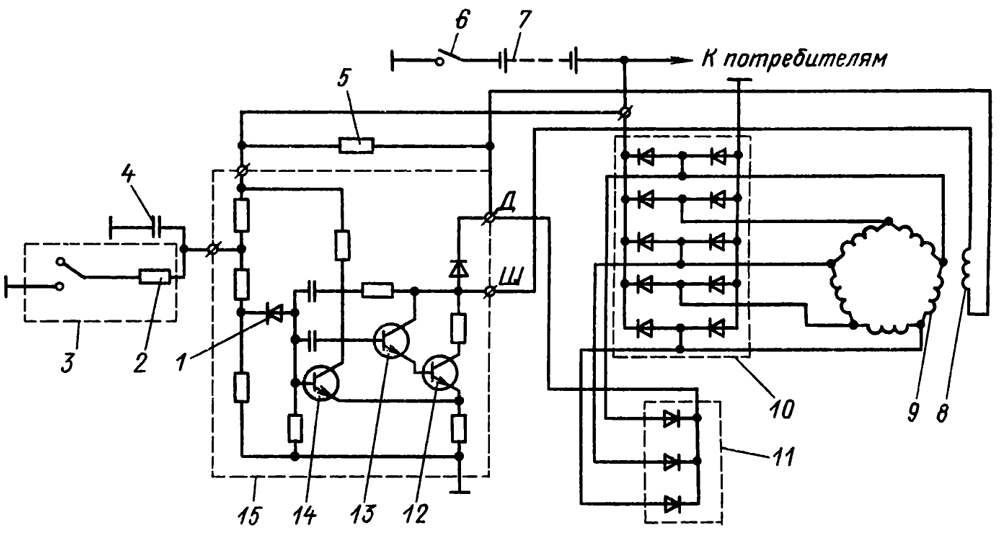
Регулируют выпрямленное напряжение генератора ИУ путем изменения силы тока возбуждения. Принципиальная электрическая схема генераторной установки приведена на рисунке.

Генераторная установка работает по следующему принципу: ток аккумуляторной батареи через резистор 5 (рис. 99) подается на обмотку возбуждения через клемму Ш и открытые транзисторы 13 и 12 интегрального устройства. Постоянный ток, проходя через обмотку возбуждения 8, создает магнитный поток, пронизывающий втулку катушки возбуждения 23 (см. рис. 98), втулку ротора, переднюю крышку, зубцы ротора 24 и статора 6. При вращении ротора под каждым зубцом статора попеременно находятся то зубец, то впадина ротора.

При этом магнитный поток, пронизывающий зубцы статора и расположенную на зубцах статора обмотку 9 (см. рис. 99), изменяется по величине от максимума до минимума и в обмотке статора наводится переменная электродвижущая сила. Переменное напряжение обмотки статора выпрямляется силовым 10 и дополнительным 11 выпрямителями. Выпрямленный ток подается на обмотку возбуждения 8; при увеличении силы тока увеличивается и напряжение генератора, которое, достигая напряжения настройки ИУ, открывает стабилитрон 1 и транзистор 14 и закрывает транзисторы 13 и 12.

Рис. 99. Электрическая схема генераторной установки Т-130М


1 — стабилитрон,
2 — резистор посезонной регулировки напряжения,
3 — переключатель посезонной регулировки,
4 — конденсатор фильтра,
5 — резистор подпитки самовозбуждения генератора,
6 — выключатель,
7 — аккумуляторная батарея,
8 — обмотка возбуждения,
9 — обмотка статора,
10 — силовой выпрямитель,
11 — дополнительный выпрямитель,
12, 13, 14 — транзисторы,
15 — интегральный регулятор напряжения.

Ток возбуждения уменьшается, уменьшается и напряжение, стабилитрон 1 и транзистор 14 закрываются и открываются транзисторы 13 и 12, ток возбуждения увеличивается, и процесс повторяется. Для улучшения качества регулирования ИУ при отсутствии аккумуляторной батареи устанавливается конденсатор 4 фильтра, который плюсовым выводом соединен с выводом С, а минусовым выводом — с корпусом. Самовозбуждение генератора без аккумуляторной батареи осуществляется за счет остаточной индукции системы возбуждения. В генераторе предусмотрена посезонная регулировка напряжения. При включении переключателя посезонной настройки в положение «зима» резистор 2 одним выводом подключается к выводу С ИУ, другим выводом — к корпусу генератора. При включении переключателя посезонной настройки в положение «лето» резистор 2 отключается от схемы генератора.

Генератор имеет две клеммы В и Д, расположенные на крышке выпрямителя. Клемма В является плюсовым выводом генератора, а клемма Д предназначена для подключения реле блокировки стартера.

Обслуживание генератора

В генераторе установлен бесконтактный интегральный регулятор напряжения, который не изменяет регулируемое напряжение в процессе эксплуатации, шарикоподшипники ротора закрытого исполнения не требуют дополнительного смазывания в течение всего срока службы генератора. Ежедневно перед началом работы проверяют исправность генератора по амперметру или контрольной лампе, установленной на щитке приборов, и посезонно переставляют переключатель посезонной регулировки в соответствующее положение: зимой в положение «зима», летом в положение «лето». При втором техническом обслуживании проверяют состояние проводов и крепление их к генератору, крепление генератора на тракторе.

Очищают генератор и выпрямительный блок от пыли и грязи щеткой или влажной тряпкой.

Сняв ремень, проверяют плавность и легкость вращения вала генератора, осевые и радиальные зазоры в шарикоподшипниках. При третьем техническом обслуживании проверяют напряжение генератора. Если переключатель посезонной регулировки находится в положении «лето» напряжение должно быть 13,1—14,1 В; в положении «зима» — 14,2—15,3 В. Когда генератор работает без аккумуляторной батареи, пределы выпрямленного напряжения несколько увеличиваются.

Генератор после хранения и транспортирования при работе без аккумуляторной батареи перед началом эксплуатации следует возбудить, кратковременно (3—5 с) приложив напряжение от источника постоянного тока не выше 13 В. «+» источника подключают к выводу В, «—» - к корпусу генератора.

Не допускается включать аккумуляторную батарею обратной полярностью, т. е. «+» аккумуляторной батареи к корпусу трактора, а «—»— в электропроводку, так как при этом генератор выходит из строя; неправильная установка интегрального устройства, поворот в плоскости основания на 180°, так как при этом выходит из строя ИУ; мыть генератор дизельным топливом, бензином, струей воды под давлением; эксплуатировать генератор при температуре окружающего его воздуха выше 353 К (80° С).

Неисправности генератора
Неисправность Причина неисправности Способ устранения

Амперметр не показывает зарядку сразу после запуска даже в течение всего времени работы

Амперметр не показывает зарядку сразу после запуска Снять крышку выпрямителя. Спаять и изолировать место обрыва
Пробой изоляции пластины выпрямителя Заменить выпрямитель
Короткое замыкание в диодах прямой и обратной полярности одной фазы То же
Обрыв цепи катушки возбуждения Разобрать генератор, спаять и изолировать место повреждения, а при невозможности устранения данного дефекта заменить катушку возбуждения
Замыкание на корпус генератора одной из фаз статора Разобрать генератор, устранить замыкание или заменить статор

Магнето

Магнето М-149 левого вращения, двуискровое, трехвыводное; два вывода подключены к свечам двигателя, а дополнительный замкнут на массу. Состоит из следующих основных частей (рис. 100).

Рис. 100. Магнето Т-130М


1 — рычаг прерывателя с контактом,
2 — стойка,
3 — основание прерывателя,
4 — неподвижный контакт,
5 — кулачок,
6 — фильц,
7 — эксцентрик,
8 — спиральная пружина,
9 — соб ач кодер жате ль,
10 — трансформатор,
11 — конденсатор,
12 — дополнительный вывод высокого напряжения,
13 — крышка экрана,
14 — экран,
15 — бегунок,
16 — крышка распределителя,
17 — пластина прерывателя,
18 — крышка корпуса магнето,
19 — ротор,
20 — корпус магнето,
21 — пусковой ускоритель.

В корпус 20 из цинкового сплава залиты полюсные башмаки. В гнездо с внутренней стороны корпуса запрессовано наружное кольцо шарикоподшипника. На корпусе смонтирована дистанционная клемма выключения зажигания.

Ротор 19 состоит из постоянного магнита с полюсными наконечниками и вала, скрепленных цинковым сплавом. На вал напрессованы внутренние кольца шарикоподшипников, прикреплены кулачок 5 и пусковой ускоритель 21.

Крышка 18 отлита из цинкового сплава. В гнездо крышки запрессовано наружное кольцо шарикоподшипника. В крышке имеются дополнительный вывод 12 высокого напряжения, конденсатор 11, пластина 17 прерывателя, вентиляционные отверстия.

Трансформатор 10 состоит из сердечника и изолированных между собой первичной и вторичной обмоток. Начало первичной обмотки припаяно к сердечнику, конец ее присоединен к прерывателю. Начало вторичной обмотки подведено к электроду дополнительного вывода, конец — к электроду распределителя.

Пластина прерывателя 3 — диск, на котором закреплены фильтр для смазывания кулачка, стойка соединительная, стойка контактная и ось с рычагом прерывателя.

Распределитель состоит из крышки 16 распределителя и бегунка 15. Крышка и бегунок изготовлены из электроизоляционной прессовочной массы. В крышке имеются гнезда для присоединения высоковольтных проводов и контакты для соединения электрода трансформатора с электродом бегунка. Бегунок установлен на кулачке.

Защитный кожух 14 (экран), изготовленный из листовой стали, состоит из корпуса и крышки 13 с выводами для крепления высоковольтных проводов.

Пусковой ускоритель 21 сообщает ротору магнето большую скорость вращения отдельными импульсами при запуске двигателя и для обеспечения запаздывания момента зажигания при запуске двигателя. Он состоит из следующих основных частей: собачкодержателя 9 с двумя собачками, корпуса с кольцами и пружиной 8.

При вращении ротора 19 магнитный поток, проходящий через сердечник трансформатора 10, изменяется по величине и направлению, вследствие чего в первичной и вторичной обмотках трансформатора наводится электродвижущая сила (ЭДС). В момент замыкания контактов 4 прерывателя в первичной обмотке трансформатора возникает ток, который достигает своего наибольшего значения при повороте ротора 19 по ходу вращения на некоторый угол от нейтрального положения. Для получения от магнето наибольшего напряжения (наилучшей искры) нужно, чтобы контакты прерывателя разомкнулись в этот момент, т. е. при этом угле поворота ротора. Указанный угол, т. е. угол поворота ротора по ходу вращения от своего нейтрального положения до момента размыкания контактов прерывателя, называется абрисом магнето. В магнето М-149 наивыгоднейший абрис равен 8—10°.

Ток высокого напряжения замыкается через нижний электрод трансформатора по центральному электроду распределителя, высоковольтным проводам, искровым промежуткам свечей, массе, искровому промежутку свечи предпускового подогревателя (если он установлен), высоковольтному проводу и дополнительному выводу на верхний электрод трансформатора.

При работе без пускового подогревателя ток высокого напряжения замыкается на верхний электрод трансформатора через замкнутый на массу дополнительный вывод.

Обслуживание магнето

Очищают магнето от грязи, своевременно подтягивают крепления, смазывают и регулируют зазор между контактами прерывателя. Зачищают контакты, если магнето было длительное время в нерабочем состоянии.

Для регулировки зазора (0,25— 0,35 мм) между контактами прерывателя повертывают ротор в положение, при котором подушечка рычага находится на выступе кулачка, ослабляют винт крепления контактной стойки отверткой, вставленной в прорези эксцентрика, повертывают стойку до получения нормального зазора между контактами. Затем затягивают винт крепления контактной стойки, проверяют зазор между контактами и как смазаны грани кулачка (папиросная бумага промасливается). Если смазки нет, на фильтр капают 3—5 капель турбинного масла, контакты зачищают специальным напильником, чтобы увеличился зазор между контактами- на толщину напильника. Зачистку осуществляют параллельно плоскости каждого контакта, после чего регулируют зазор между контактами. Углубления на поверхности контактов не влияют на работоспособность магнето. Зачищенные контакты протирают замшей, смоченной в чистом бензине.

В соответствии с периодичностью технических обслуживаний разбирают магнето, удаляют старую смазку с шарикоподшипников, промывая сепараторы в бензине и протирая внутренние и наружные кольца шарикоподшипников чистой салфеткой, смоченной в бензине. По мере необходимости удаляют с панелей ротора и полюсных башмаков корпуса старую смазку. Затем смазывают ротор и полюсные башмаки смазкой УН, сепараторы шарикоподшипников заполняют на 2/3 смазкой ЦИАТИМ-201 и собирают магнето. В случае необходимости снимают нагар с электродов бегунка и крышки распределителя салфеткой, смоченной в бензине, и просушивают их.

Стартер

Стартер СТ230Е, предназначенный для проворачивания коленчатого вала пускового двигателя в момент его пуска, представляет собой электродвигатель постоянного тока последовательного возбуждения с механизмом привода и включателем. Вал стартера вращается по часовой стрелке, мощность его 1,32 кВт (1,8 л. с.).

Стартер состоит из корпуса 23 (рис. 101) с полюсными башмаками 31 и обмоткой возбуждения 30, якоря 32 с обмоткой 11 и коллектором 29, крышек с подшипниками скольжения, щеткодержателя 24 со щетками, механизма привода с шестерней 4 и включателя 14. Привод служит для соединения шестерни 4 вала 3 якоря с зубчатым венцом маховика пускового двигателя во время его пуска и разъединения вала стартера с венцом маховика, когда двигатель начнет работать.

Рис. 101. Стартер Т-130М


1, 15, 27 — крышка,
2, 20 — втулка,
3 — вал якоря,
4 — шестерня привода,
5 — муфта свободного хода,
6, 9, 16, 18, 26 — пружина,
7, 10 — регулировочный винт,
8 — муфта включения привода,
11 — обмотка якоря,
12 — рычаг,
13 — плунжер,
14 — включатель,
17 — контактная шайба,
19 — болт-зажим для подсоединения провода от аккумуляторной батареи,
21 — болт,
22 — защитная лента,
23 — корпус,
24 — щеткодержатель,
25 — токоподводящая щетка,
28 — болт стяжной,
29 — коллектор,
30 — обмотка возбуждения,
31 — башмак статора,
32 — якорь.

Приводной механизм представляет собой рычаг 12 включения с регулировочным винтом 10 и муфтой 5 свободного хода. Муфта свободного хода отключает вал стартера от пускового двигателя сразу после пуска, как только двигатель начнет вести якорь стартера. Муфта передает вращающий момент только в одном направлении (ведет вёнец маховика) и автоматически разъединяет шестерню 4 привода с венцом маховика.

При перемещении рычага 12 передвигаются отводка муфты 8, пружина 6, муфта 5 свободного хода, вводя в зацепление шестерню 4 с венцом маховика пускового двигателя. В это время рычаг головкой регулировочного винта 10 нажимает на плунжер 13 включателя, замыкает контактной шайбой 17 контакты, и ток от аккумуляторной батареи через щетки 25 поступает в обмотки возбуждения 30 и обмотку 11 якоря, при этом якорь 32 начинает вращаться. Вместе с валом якоря вращаются шлицевая втулка и наружная обойма. Через заклиненные ролики муфты 5 свободного хода вращение передается на шестерню 4 и далее на венец маховика. Если при передвижении рычага шестерня 4 привода не войдет в зацепление с венцом маховика, т. е. зуб шестерни привода попадет на зуб венца маховика, то отводка муфты сожмет пружину 6. Как только вал якоря начнет вращаться, шестерня 4 привода под действием пружины 6 войдет в зацепление с венцом маховика. После того как двигатель начнет работать, маховик будет вращаться быстрее шестерни 4 привода, ролики в обойме муфты 5 отойдут в сторону уширенной части паза и расклинят муфту, разъединив шлицевую втулку и вал якоря от шестерни 4 привода. В результате крутящий момент вала двигателя не будет передаваться на вал 3 якоря и предохранит тем самым якорь стартера от разноса.

К клеммам включателя 14 подсоединяют обмотки возбуждения и якорь стартера с аккумуляторной батареей. Номинальное напряжение питания стартера 12 В. Стартер прикреплен фланцем к корпусу муфты сцепления.

Продолжительность включения стартера не более 5 с. Повторяют включение стартера через 0,5—1 мин, чтобы восстановилась работоспособность аккумуляторной батареи.

Периодически проверяют состояние проводов. Не допускается загрязнение клемм и ослабление крепления проводов. Очищают и покрывают тонким слоем технического вазелина клеммы и провода при образовании на их поверхностях белого налета (окислов). Проверяют надежность крепления стартера к корпусу муфты сцепления пускового двигателя и подтягивают болты крепления.

Загрязненный коллектор 29 протирают сначала чистой тряпкой, смоченной в бензине, а затем сухой; незначительно подгоревший коллектор зачищают. Щетка должна быть плотно прижата к коллектору 29. Необходимо смазывать жидким маслом канавку кольца отводки, куда входят шипы вилки рычага. Подшипники и шейки вала смазывают индустриальным маслом или маслом АС-8.

Неисправности стартера
Неисправность Причина неисправности Способ устранения
Стартер не включается Разряжена или неисправна аккумуляторная батарея Зарядить или заменить ак­кумуляторную батарею
Обрыв в цепи питания стартера, ослабло крепление проводов от батареи или окислились наконечники проводов Проверить цепь, очистить на­конечники от окисления, смазать техническим вазелином и затянуть винты крепления наконечников
Неисправность включателя стартера. Поломка пружины плунжера Заменить пружину 16
При включении стартера слышен скрежет шестерни Забоины на зубьях венца маховика Устранить забоины зачисткой поврежденных зубьев
привода, которая не входит в зацепление с венцом маховика двигателя Неправильная регулировка хода шестерни привода Отрегулировать ход шестерни 4 привода упорным винтом 7 и штифтом
Установка стартера с перекосом Установить стартер без перекоса
При включении стартера якорь вращается, но не проворачивает вал двигателя Пробуксовка роликовой муфты свободного хода привода стартера Заменить привод стартера
После запуска двигателя якорь стартера резко останавливается Разнос якоря стартера Снять стартер с двигателя и отремонтировать с заменой якоря или заменить стартер
Стартер после пуска двигателя не отключается Поломка пружины отводки рычага Заменить пружину 9 отводки (рис. 101)
Вылетело запорное кольцо привода Поставить запорное кольцо
При включении стартера включатель срабатывает, но якорь не проворачивает коленчатый вал двигателя или вращает его очень медленно Разряжена или неисправна аккумуляторная батарея Зарядить или заменить акку­муляторную батарею
Плохой контакт в цепи питания стартера Зачистить и подтянуть все клеммовые зажимы
Задевание якоря стартера за полюсные башмаки Снять стартер, отремонтиро­вать или заменить стартер
Плохой контакт щеток с коллектором Зачистить загрязненный коллектор стеклянной шкуркой зернистостью 5—12 и продуть воздухом. Проточить и зачистить стеклянной шкуркой кол­лектор в случае большого подгорания или большой выработки. После проточки биение коллектора относительно крайних шеек вала не более 0,05 мм. Проверяют динамометром давление пружин на щетки, которое должно быть в пределах 1000—1400 г для новых щеток
Пробуксовка муфты привода стартера (износ роликов или трещина в обойме) Заменить привод
Короткое замыкание в обмотках стартера Сдать стартер в ремонт
После запуска двигателя якорь стартера продолжает вращаться (стартер гудит) Приварились контакты включателя Выключить зажигание, отключить аккумуляторную батарею. Зачистить контактные болты путем запиловки надфилем или повернуть их на 180°, а диск контактный повернуть другой стороной
Электрооборудование