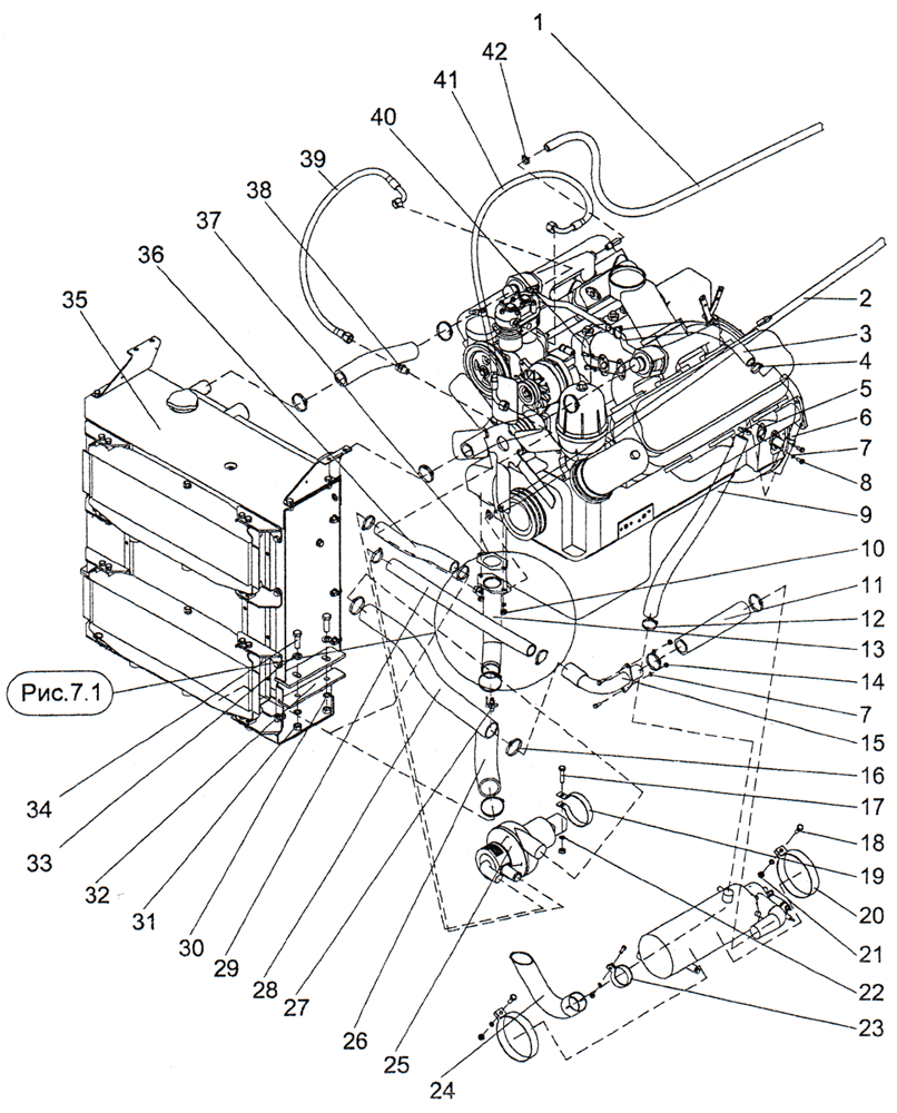
| Поз. | Обозначение | Наименование | Кол. | Масса |
| 1 | ПК46.33.00.001 | Рукав | 2 | 0,9 |
| 2 | ПК46.33.00.001-01 | Рукав | 1 | 1,26 |
| 3 | ПК46.33.00.001-03 | Рукав | 1 | 0,34 |
| 4 | Хомут винтовой Н-20 | 2 | 0,005 | |
| 5 | КБ11.38.00.001 | Прокладка | 2 | 0,01 |
| 6 | ПК46.33.00.040 | Труба | 1 | 0,7 |
| 7 | Шайба 8.65Г.019 ГОСТ 6402-70 | 7 | 0,001 | |
| 8 | Болт M8-6g×20.58.019 (S13) ГОСТ 7798-70 | 7 | 0,014 | |
| 9 | ПК46.33.00.001-06 | Рукав | 1 | 0,54 |
| 10 | 027.13.22.309 | Гайка | 2 | 0,01 |
| 11 | ПК46.33.00.001-07 | Рукав | 3 | 0,53 |
| 12 | Хомут винтовой Н-28 | 12 | 0,016 | |
| 13 | КБ11.33.00.020 | Труба | 1 | 1,6 |
| 14 | Гайка М8-6Н.5.019 (S13) ГОСТ 5915-70 | 3 | 0,005 | |
| 15 | ПК46.33.00.060 | Труба | 1 | 0,7 |
| 16 | Хомут винтовой Н-44 | 4 | 0,004 | |
| 17 | Болт М10-6g×45.58.019 (S16) ГОСТ 7798-70 | 1 | 0,037 | |
| 18 | Болт М10-6g×30.58.019 (S16) ГОСТ 7798-70 | 2 | 0,031 | |
| 19 | ПК46.33.00.005 | Хомут | 1 | 0,17 |
| 20 | 027.36.11.142 | Хомут | 2 | 0,25 |
| 21 | Гайка М10-6Н.5.019 (S16) ГОСТ 5915-70 | 3 | 0,01 | |
| 22 | Шайба 10.65Г.019 ГОСТ 6402-70 | 5 | 0,002 | |
| 23 | Хомут 4320-1015609 | 1 | 0,094 | |
| 24 | ПК46.33.00.070 | Труба выхлопная | 1 | 1,55 |
| 25 |
Подогреватель жидкостный дизельный ПЖД30Ж-1015006-40 ТУ 37.373.093-98 |
1 | 12,1 | |
| 26 | ПК46.33.00.006 | Рукав | 1 | 1,1 |
| 27 | Краник сливной 353-1305010-А | 1 | 0,009 | |
| 28 | ПК46.33.00.001-08 | Рукав | 1 | 1,2 |
| 29 | ПК46.33.00.001-05 | Рукав | 1 | 0,46 |
| 30 | Шайба 16.65Г.019 ГОСТ 6402-70 | 4 | 0,006 | |
| 31 | Гайка М16-6Н.5.019 (S24) ГОСТ 5915-70 | 4 | 0,037 | |
| 32 | ПК46.33.00.002 | Прокладка | 2 | 0,12 |
| 33 | ПК46.33.00.007 | Шайба | 4 | 0,032 |
| 34 | Болт M16-6g×50.66.019 (S24) ГОСТ 7798-70 | 4 | 0,11 | |
| 35 | ПК46.33.01.000 | Блок радиаторов | 1 | 130 |
| 36 | ПК46.33.00.001-04 | Рукав | 1 | 0,31 |
| 37 | ПК46.33.00.003 | Прокладка | 1 | 0,01 |
| 38 | ПК46.42.10.002 | Штуцер | 1 | 0,14 |
| 39 | См.табл | |||
| 40 | ПК46.33.00.050 | Труба | 1 | 0,58 |
| 41 | См. табл | |||
| 42 | Хомут винтовой Н-12 | 4 | 0,006 | |
| 43 | См.табл | |||
| 44 | См. табл |
| ПК46.33.00.000 | ||||
| 39 |
РИД 13.7,5.1400.0.18.54-90°/54-90°. М22×1,5/М22×1,5-У1 ТУ 3148- 001-20871731-94 |
1 | 1,2 | |
| 41 |
РИД 13.7,5.950.0,18.54/54-90°. М22×1,5/М22×1,5-У1 ТУ 3148-001-20871731-94 |
1 | 0,9 | |
| 43 | - | - | - | |
| 44 | - | - | - | |
| ПК46.33.00.000-01 | ||||
| 39 | - | . | - | |
| 41 | - | - | - | |
| 43 | ПК46.33.00.008 | Заглушка | 1 | 0,027 |
| 44 | 027.08.00.002 | Гайка | 1 | 0,01 |
