Запасные части ЧТЗ Запасные части ЧТЗ
Актобе
Например:
Актобе
Алдан
или
Выбрать автоматически
Актобе
Алдан
Алматы
Алчевск
Архангельск
Астана
Астрахань
Атырау
Баку
Балашиха
Барнаул
Белгород
Бердянск
Бишкек
Владивосток
Владикавказ
Воркута
Воронеж
Горловка
Грозный
Донецк
Екатеринбург
Иваново
Ижевск
Иркутск
Казань
Калининград
Каменск-Уральский
Караганда
Каховка
Кемерово
Киров
Комсомольск-на-Амуре
Костанай
Краснодар
Красноярск
Красный луч
Ленск
Луганск
Магадан
Магнитогорск
Макеевка
Махачкала
Мелитополь
Минск
Мирный (Якутия)
Москва
Мурманск
Нерюнгри
Нижневартовск
Нижний Новгород
Нижний Тагил
Новая каховка
Новокузнецк
Новосибирск
Новый Уренгой
Норильск
Ноябрьск
Нур-Султан
Омск
Оренбург
Ош
Павлодар
Пермь
Петрозаводск
Петропавловск
Петропавловск-Камчатский
Псков
Ростов-на-Дону
Салехард
Самара
Санкт-Петербург
Саратов
Севастополь
Семей
Симферополь
Сочи
Ставрополь
Сургут
Сыктывкар
Тараз
Ташкент
Токмак
Томск
Тында
Тюмень
Ульяновск
Усинск
Усть-Каменогорск
Уфа
Хабаровск
Ханты-Мансийск
Херсон
Челябинск
Чита
Шымкент
Экибастуз
Энергодар
Южно-Сахалинск
Якутск
Ваш город
Актобе
Войти
Запасные части к тракторам на одном сайте
+7 (932) 303-00-10
+7 (932) 303-00-10
г. Актобе, 41-й разъезд, д. 10а
Пн-Пт: 9:30-18:30 Cб-Вс: Выходной
Отправить заявку


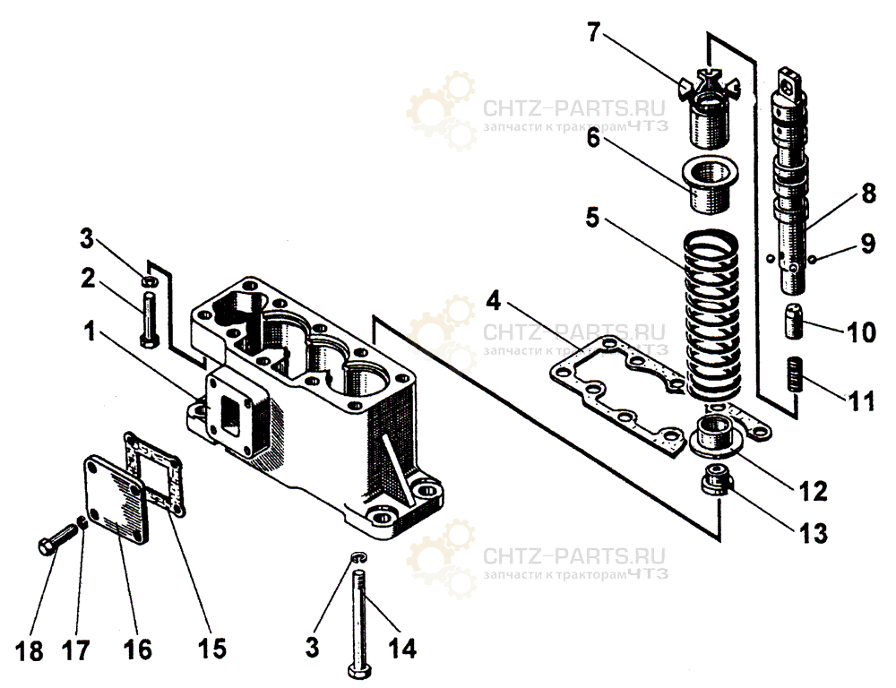
Крышка нижняя гидрораспределителя на ДЭТ-320


/
с НДС 20%
Описание
Крышка нижняя гидрораспределителя ДЭТ-320
Поз. Обозначение Наименование Кол.
1 50-26-748 Крышка нижняя 1
2 - Болт M10-6g×45.58.019 2
3 - Шайба 10 ОТ 65Г09 10
4 700-40-8298 Прокладка 1
5 38423 Пружина золотника 3
б 50-26-755 Стакан верхний 1
7 50-26-753 Обойма фиксатора 3
8 50-26-749-1 Золотник 3
9 - Шарик Б 8-200 15
10 50-26-752 Втулка фиксатора 3
11 700-38-2885 Пружина фиксатора 3
12 50-26-754 Стакан нижний 1
13 700-37-2267 Пробка золотника 3
14 - Болт M10-6g×120.88.35.019 8
15 700-40-8295 Прокладка 2
16 50-26-751 Крышка 1
17 - Шайба 8T 65Γ 09 4
18 - Болт M8-6g×16.58.019 14
Крышка нижняя гидрораспределителя