Запасные части ЧТЗ Запасные части ЧТЗ
Актобе
Например:
Актобе
Алдан
или
Выбрать автоматически
Актобе
Алдан
Алматы
Алчевск
Архангельск
Астана
Астрахань
Атырау
Баку
Балашиха
Барнаул
Белгород
Бердянск
Бишкек
Владивосток
Владикавказ
Воркута
Воронеж
Горловка
Грозный
Донецк
Екатеринбург
Иваново
Ижевск
Иркутск
Казань
Калининград
Каменск-Уральский
Караганда
Каховка
Кемерово
Киров
Комсомольск-на-Амуре
Костанай
Краснодар
Красноярск
Красный луч
Ленск
Луганск
Магадан
Магнитогорск
Макеевка
Махачкала
Мелитополь
Минск
Мирный (Якутия)
Москва
Мурманск
Нерюнгри
Нижневартовск
Нижний Новгород
Нижний Тагил
Новая каховка
Новокузнецк
Новосибирск
Новый Уренгой
Норильск
Ноябрьск
Нур-Султан
Омск
Оренбург
Ош
Павлодар
Пермь
Петрозаводск
Петропавловск
Петропавловск-Камчатский
Псков
Ростов-на-Дону
Салехард
Самара
Санкт-Петербург
Саратов
Севастополь
Семей
Симферополь
Сочи
Ставрополь
Сургут
Сыктывкар
Тараз
Ташкент
Токмак
Томск
Тында
Тюмень
Ульяновск
Усинск
Усть-Каменогорск
Уфа
Хабаровск
Ханты-Мансийск
Херсон
Челябинск
Чита
Шымкент
Экибастуз
Энергодар
Южно-Сахалинск
Якутск
Ваш город
Актобе
Войти
Запасные части к тракторам на одном сайте
+7 (932) 303-00-10
+7 (932) 303-00-10
г. Актобе, 41-й разъезд, д. 10а
Пн-Пт: 9:30-18:30 Cб-Вс: Выходной
Отправить заявку


Редуктор пускового двигателя на Т-170


/
с НДС 20%
Описание
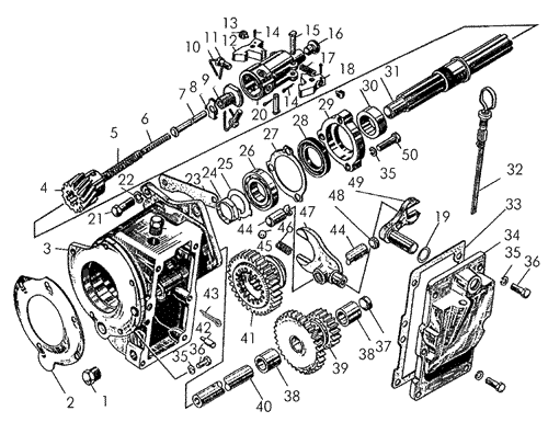
Редуктор пускового двигателя Т-170
Поз.НаименованиеАртикулКол-во в сборке
0Вал редуктора 76106СП1
0Муфта механизма включения 72118СП1
0Редуктор 17-76-8СП1
0Редуктор пускового двигателя 17-76-10СП1
0Шестерня7612СП1
1Пробка700-37-20252
2Прокладка 700-40-2365 (700-40-2368)1
3Корпус 17-76-13-11
4Шестерня 17-76-221
4Шестерня 721041
5Пружина 383421
6Пружина 383431
7Толкатель муфты 721011
8Шайба 311061
9Направляющая толкателя 72131
10Проволока контроля422162
11Болт СМД-8 700-28-25844
12Защелка муфты 721061
13Винт 721072
14Шплинт3,2Х204
15Ось защелки 721192
16Пятка муфты 721171
17Пружина защелки 383441
18Защелка муфты 721051
19Кольцо016-020-25-2-21
19Кольцо 020-026-36-2-21
20Муфта17-76-361
21Болт 28162
22Шайба12ОТ65Г092
23Прокладка700-40-22126
24Гайка 700-30-23051
25Шайба700-31-25661
26Подшипник208К1
27Прокладка 409601
28Сальник 40263СП1
29Крышка сальника761051
30Втулка726-11
31Вал761071
32Линейка масломерная 17-01-162СП1
33Прокладка 700-40-44826
34Крышка17-76-321
35Шайба10ОТ65Г099
36БолтМ10Х25.58.0195
37Заглушка0521
38Втулка766-112
39Шестерня7651
40Ось17-76-3-11
41Шестерня7641
42Штифт700-32-20141
43Шплинт5Х501
44Вал вилки17-76-7-11
45ШарикБ12-2001
46Пружина383471
47Вилка761111
48Заглушка761131
49Ось17-76-3-11
50БолтМ10Х40.58.0193
Редуктор пускового двигателя