Запасные части ЧТЗ Запасные части ЧТЗ
Актобе
Например:
Актобе
Алдан
или
Выбрать автоматически
Актобе
Алдан
Алматы
Алчевск
Архангельск
Астана
Астрахань
Атырау
Баку
Балашиха
Барнаул
Белгород
Бердянск
Бишкек
Владивосток
Владикавказ
Воркута
Воронеж
Горловка
Грозный
Донецк
Екатеринбург
Иваново
Ижевск
Иркутск
Казань
Калининград
Каменск-Уральский
Караганда
Каховка
Кемерово
Киров
Комсомольск-на-Амуре
Костанай
Краснодар
Красноярск
Красный луч
Ленск
Луганск
Магадан
Магнитогорск
Макеевка
Махачкала
Мелитополь
Минск
Мирный (Якутия)
Москва
Мурманск
Нерюнгри
Нижневартовск
Нижний Новгород
Нижний Тагил
Новая каховка
Новокузнецк
Новосибирск
Новый Уренгой
Норильск
Ноябрьск
Нур-Султан
Омск
Оренбург
Ош
Павлодар
Пермь
Петрозаводск
Петропавловск
Петропавловск-Камчатский
Псков
Ростов-на-Дону
Салехард
Самара
Санкт-Петербург
Саратов
Севастополь
Семей
Симферополь
Сочи
Ставрополь
Сургут
Сыктывкар
Тараз
Ташкент
Токмак
Томск
Тында
Тюмень
Ульяновск
Усинск
Усть-Каменогорск
Уфа
Хабаровск
Ханты-Мансийск
Херсон
Челябинск
Чита
Шымкент
Экибастуз
Энергодар
Южно-Сахалинск
Якутск
Ваш город
Актобе
Войти
Запасные части к тракторам на одном сайте
+7 (932) 303-00-10
+7 (932) 303-00-10
г. Актобе, 41-й разъезд, д. 10а
Пн-Пт: 9:30-18:30 Cб-Вс: Выходной
Отправить заявку


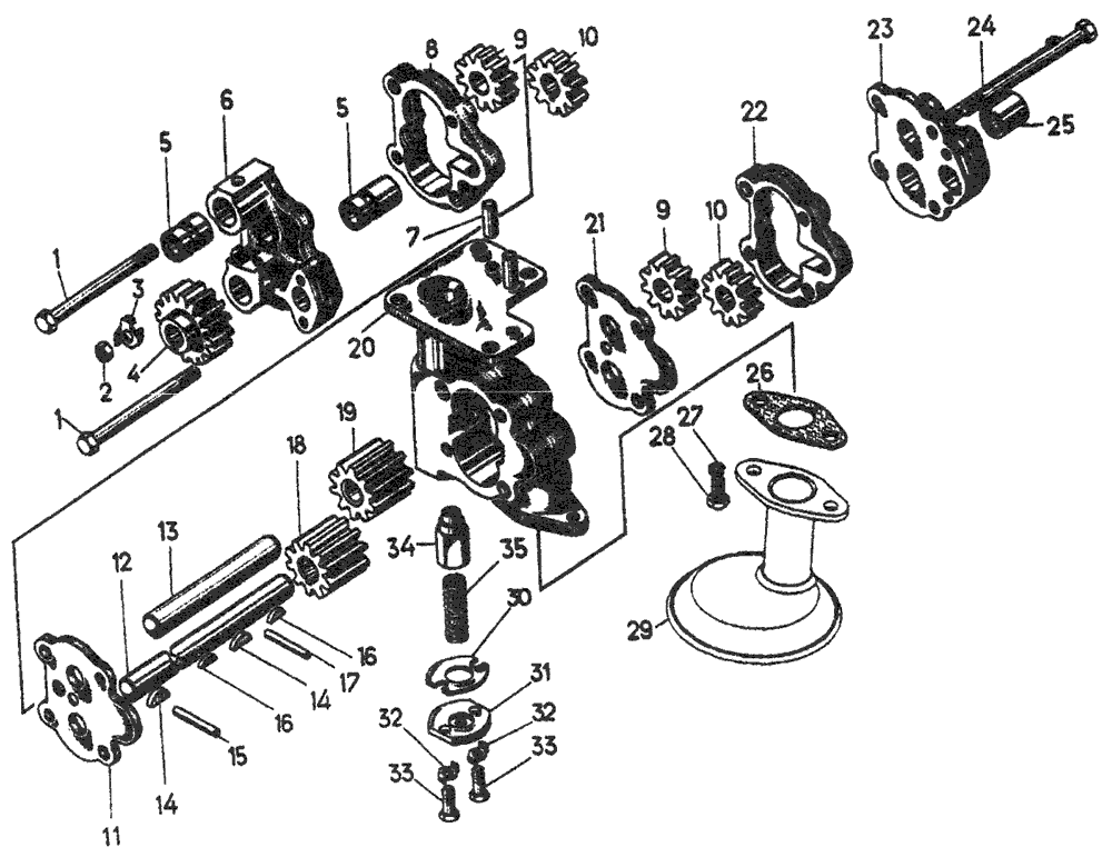
Насос масляный на Т10М / Б10М


/
с НДС 20%
Описание
Масляный насос Т10М
#Номер запчастиНаименование деталиКол-во в сборке
-51-09-217СПНасос масляный1
1-Болт М10-6g×130.58.0192
2700-30-2099Гайка2
33137Шайба4
451-09-197Колесо зубчатое1
529-09-62Втулка2
616-09-98Крышка передняя1
7700-32-2198Штифт2
851-09-157Корпус передней нагнетательной секции насоса1
909217Шестерня2
1009216Шестерня2
1151-09-158Плита передняя1
1216-09-140Валик1
1309476Ось1
14700-34-2031Шпонка сегментная2
15700-32-2185Штифт1
16700-34-2021Шпонка сегментная2
17700-32-2125Штифт1
1816-09-146Шестерня1
1916-09-145Шестерня1
2029-09-60Корпус нагнетательной секции насоса1
2129-09-64Плита1
2229-09-63Корпус откачивающий секции насоса1
2329-09-57Крышка задняя1
24700-28-2087СПБолт2
2529-09-58Втулка1
26700-40-2886Прокладка1
27-Шайба 10 ОТ 65Г 092
28-Болт М10×20.58.0192
2951-09-264СПМаслоприемник1
3016-09-147Прокладка4
3129-09-117Фланец1
32700-31-2087Шайба стопорная2
3328466Болт2
3409205Клапан1
35700-38-2191Пружина1
Насос масляный